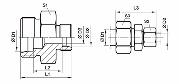
Фитинги типу "труба-труба" поставляются в следующем исполнении:
WSV - переборочный угловой фитинг
LL - очень лёгкая серия; L - лёгкая серия; S - тяжёлая серия
W - угловой фитинг

| Серия | D1 | D3 | L1 | L2 | L3 | S1 | S2 | S3 | Вес, г/шт. | Код заказа | PN (bar) | ||
|---|---|---|---|---|---|---|---|---|---|---|---|---|---|
| CF | 71 | MS | |||||||||||
| LL | 04 | 3,0 | 15 | 11,0 | 21 | 9 | 10 | 9 | 13 | W04LL | 100 | 100 | 63 |
| 06 | 4,5 | 15 | 9,5 | 21 | 9 | 12 | 11 | 15 | W06LL | 100 | 100 | 63 | |
| 08 | 6,0 | 17 | 11,5 | 23 | 12 | 14 | 12 | 23 | W08LL | 100 | 100 | 63 | |
| 10 | 8,0 | 18 | 12,5 | 24 | 12 | 17 | 14 | 32 | W10LL | 100 | 100 | 63 | |
| 12 | 10,0 | 19 | 13,0 | 25 | 14 | 19 | 17 | 41 | W12LL | 100 | 100 | 63 | |
| L | 06 | 4,0 | 19 | 12,0 | 27 | 12 | 14 | 12 | 29 | W06L | 500 | 315 | 200 |
| 08 | 6,0 | 21 | 14,0 | 29 | 12 | 17 | 14 | 43 | W08L | 500 | 315 | 200 | |
| 10 | 8,0 | 22 | 15,0 | 30 | 14 | 19 | 17 | 54 | W10L | 500 | 315 | 200 | |
| 12 | 10,0 | 24 | 17,0 | 32 | 19 | 22 | 80 | W12L | 400 | 315 | 200 | ||
| 15 | 12,0 | 28 | 21,0 | 36 | 19 | 27 | 81 | W15L | 400 | 315 | 200 | ||
| 18 | 15,0 | 31 | 23,5 | 40 | 24 | 32 | 140 | W18L | 400 | 315 | 200 | ||
| 22 | 19,0 | 35 | 27,5 | 44 | 27 | 36 | 178 | W22L | 250 | 160 | 100 | ||
| 28 | 24,0 | 38 | 30,5 | 47 | 36 | 41 | 340 | W28L | 250 | 160 | 100 | ||
| 35 | 30,0 | 45 | 34,5 | 56 | 41 | 50 | 458 | W35L | 250 | 160 | 100 | ||
| 42 | 36,0 | 51 | 40,0 | 63 | 50 | 60 | 776 | W42L | 250 | 160 | 100 | ||
| S | 06 | 4,0 | 23 | 16,0 | 31 | 12 | 17 | 14 | 52 | W06S | 800 | 630 | 400 |
| 08 | 5,0 | 24 | 17,0 | 32 | 14 | 19 | 17 | 74 | W08S | 800 | 630 | 400 | |
| 10 | 7,0 | 25 | 17,5 | 34 | 19 | 22 | 97 | W10S | 800 | 630 | 400 | ||
| 12 | 8,0 | 29 | 21,5 | 38 | 17 | 24 | 22 | 137 | W12S | 630 | 630 | 400 | |
| 14 | 10,0 | 30 | 22,0 | 40 | 19 | 27 | 145 | W14S | 630 | 630 | 400 | ||
| 18 | 12,0 | 33 | 24,5 | 43 | 24 | 30 | 162 | W16S | 630 | 400 | 250 | ||
| 20 | 16,0 | 37 | 26,5 | 48 | 27 | 36 | 221 | W20S | 420 | 400 | 250 | ||
| 25 | 20,0 | 42 | 30,0 | 54 | 36 | 46 | 424 | W25S | 420 | 400 | 250 | ||
| 30 | 25,0 | 49 | 35,5 | 62 | 41 | 50 | 603 | W30S | 420 | 400 | 250 | ||
| 38 | 32,0 | 57 | 41,0 | 72 | 50 | 60 | 1010 | W38S | 420 | 315 | 250 | ||
WSV - переборочный угловой фитинг

| Серия | D1 | D3 | D4 | L1 | L2 | L3 | L4 | L5 | L6 | L7 | S1 | S2 | S3 | Вес, г/шт. | Код заказа | PN (bar) | ||
|---|---|---|---|---|---|---|---|---|---|---|---|---|---|---|---|---|---|---|
| CF | 71 | MS | ||||||||||||||||
| L | 06 | 4 | 17 | 19 | 12,0 | 14 | 27,0 | 48 | 27 | 42 | 12 | 17 | 14 | 51 | W06L | 315 | 315 | 200 |
| 08 | 6 | 19 | 21 | 14,0 | 17 | 27,0 | 51 | 29 | 42 | 12 | 19 | 17 | 61 | W08L | 315 | 315 | 200 | |
| 10 | 8 | 22 | 22 | 15,0 | 18 | 28,0 | 53 | 30 | 43 | 14 | 22 | 19 | 78 | W10L | 315 | 315 | 200 | |
| 12 | 10 | 24 | 24 | 17,0 | 20 | 29,0 | 56 | 32 | 44 | 17 | 24 | 22 | 85 | W12L | 315 | 315 | 200 | |
| 15 | 12 | 27 | 28 | 21,0 | 23 | 31,0 | 61 | 36 | 46 | 19 | 30 | 27 | 150 | W15L | 315 | 315 | 200 | |
| 18 | 15 | 32 | 31 | 23,5 | 24 | 32,5 | 64 | 40 | 49 | 24 | 36 | 32 | 238 | W18L | 315 | 315 | 200 | |
| 22 | 19 | 36 | 35 | 27,5 | 30 | 34,5 | 72 | 44 | 51 | 27 | 41 | 36 | 327 | W22L | 160 | 160 | ||
| 28 | 24 | 42 | 38 | 30,5 | 34 | 35,5 | 77 | 47 | 52 | 36 | 46 | 41 | 482 | W28L | 160 | 160 | ||
| 35 | 30 | 50 | 45 | 34,5 | 39 | 36,5 | 86 | 56 | 58 | 41 | 55 | 50 | 729 | W35L | 160 | 160 | ||
| 42 | 36 | 60 | 51 | 40,0 | 43 | 36,0 | 90 | 63 | 59 | 50 | 65 | 60 | 1091 | W42L | 160 | 160 | ||
| S | 06 | 4 | 19 | 23 | 16,0 | 17 | 29,0 | 53 | 31 | 44 | 12 | 19 | 17 | 72 | W06S | 630 | 630 | |
| 08 | 5 | 22 | 24 | 17,0 | 18 | 29,0 | 54 | 32 | 44 | 14 | 22 | 19 | 99 | W08S | 630 | 630 | ||
| 10 | 7 | 24 | 25 | 17,5 | 20 | 29,5 | 57 | 34 | 46 | 17 | 24 | 22 | 128 | W10S | 630 | 630 | ||
| 12 | 8 | 27 | 29 | 21,5 | 21 | 30,5 | 59 | 38 | 47 | 17 | 27 | 24 | 168 | W12S | 630 | 630 | ||
| 14 | 10 | 27 | 30 | 22,0 | 23 | 32,0 | 63 | 40 | 50 | 19 | 30 | 27 | 194 | W14S | 630 | 630 | ||
| 18 | 12 | 30 | 33 | 24,5 | 24 | 31,5 | 64 | 43 | 50 | 24 | 32 | 30 | 249 | W16S | 400 | 400 | ||
| 20 | 16 | 36 | 37 | 26,5 | 30 | 33,5 | 74 | 48 | 55 | 27 | 41 | 36 | 390 | W20S | 400 | 400 | ||
| 25 | 20 | 42 | 42 | 30,0 | 34 | 35,0 | 81 | 54 | 59 | 36 | 46 | 46 | 618 | W25S | 400 | 400 | ||
| 30 | 25 | 50 | 49 | 35,5 | 39 | 37,5 | 90 | 62 | 64 | 41 | 50 | 50 | 889 | W30S | 400 | 400 | ||
| 38 | 32 | 60 | 57 | 41,0 | 43 | 37,0 | 96 | 72 | 68 | 50 | 65 | 60 | 1337 | W38S | 315 | 315 | ||
SV - переборочный фитинг

| Серия | D1 | D3 | L1 | L2 | L3 | L4 | L5 | L6 | S1 | S2 | S3 | Вес, г/шт. | Код заказа | PN (bar) | ||
|---|---|---|---|---|---|---|---|---|---|---|---|---|---|---|---|---|
| CF | 71 | MS | ||||||||||||||
| L | 06 | 4 | 14 | 7,0 | 34 | 27,0 | 22 | 42 | 17 | 17 | 14 | 39 | SV06LOMD | 500 | 315 | 200 |
| 08 | 6 | 15 | 8,0 | 34 | 27,0 | 23 | 42 | 19 | 19 | 17 | 50 | SV08LOMD | 500 | 315 | 200 | |
| 10 | 8 | 17 | 10,0 | 35 | 28,0 | 25 | 43 | 22 | 22 | 19 | 67 | SV10LOMD | 500 | 315 | 200 | |
| 12 | 10 | 17 | 10,0 | 36 | 29,0 | 25 | 44 | 24 | 24 | 22 | 78 | SV12LOMD | 400 | 315 | 200 | |
| 15 | 12 | 19 | 12,0 | 38 | 31,0 | 27 | 46 | 27 | 30 | 27 | 128 | SV15LOMD | 400 | 315 | 200 | |
| 18 | 15 | 21 | 13,5 | 40 | 32,5 | 30 | 49 | 32 | 36 | 32 | 198 | SV18LOMD | 400 | 315 | 200 | |
| 22 | 19 | 24 | 16,5 | 42 | 34,5 | 33 | 51 | 36 | 41 | 36 | 254 | SV22LOMD | 250 | 160 | 100 | |
| 28 | 24 | 26 | 18,5 | 43 | 35,5 | 35 | 52 | 41 | 46 | 41 | 335 | SV28LOMD | 250 | 160 | 100 | |
| 35 | 30 | 29 | 18,5 | 47 | 36,5 | 40 | 58 | 50 | 55 | 50 | 546 | SV35LOMD | 250 | 160 | ||
| 42 | 36 | 30 | 19,0 | 47 | 36,0 | 42 | 59 | 60 | 65 | 60 | 758 | SV42LOMD | 250 | 160 | ||
| S | 06 | 4 | 19 | 12,0 | 36 | 29,0 | 27 | 44 | 19 | 19 | 17 | 65 | SV06SOMD | 800 | 630 | 400 |
| 08 | 5 | 20 | 13,0 | 36 | 29,0 | 28 | 44 | 20 | 22 | 19 | 87 | SV08SOMD | 800 | 630 | 400 | |
| 10 | 7 | 22 | 14,5 | 37 | 29,5 | 31 | 46 | 24 | 24 | 22 | 112 | SV10SOMD | 800 | 630 | 400 | |
| 12 | 8 | 22 | 14,5 | 38 | 30,5 | 31 | 47 | 27 | 27 | 24 | 141 | SV12SOMD | 630 | 630 | 400 | |
| 14 | 10 | 25 | 17,0 | 40 | 32,0 | 35 | 50 | 30 | 30 | 27 | 180 | SV14SOMD | 630 | 630 | ||
| 18 | 12 | 25 | 16,5 | 40 | 31,5 | 35 | 50 | 32 | 32 | 30 | 201 | SV16SOMD | 630 | 400 | 250 | |
| 20 | 16 | 28 | 17,5 | 44 | 33,5 | 39 | 55 | 41 | 41 | 36 | 462 | SV20SOMD | 420 | 400 | 250 | |
| 25 | 20 | 32 | 20,0 | 47 | 35,0 | 44 | 59 | 46 | 46 | 46 | 492 | SV25SOMD | 420 | 400 | 250 | |
| 30 | 25 | 35 | 21,5 | 51 | 37,5 | 48 | 64 | 50 | 50 | 50 | 631 | SV30SOMD | 420 | 400 | 250 | |
| 38 | 32 | 38 | 22,0 | 53 | 37,0 | 53 | 68 | 65 | 65 | 60 | 1083 | SV38SOMD | 420 | 315 | ||
LL - очень лёгкая серия; L - лёгкая серия; S - тяжёлая серия
GR - прямой редуктор

| Серия | D1 | D2 | D3 | L1 | L2 | L3 | S1 | S2 | S3 | Вес, г/шт. | Код заказа | PN (bar) | ||
|---|---|---|---|---|---|---|---|---|---|---|---|---|---|---|
| CF | 71 | MS | ||||||||||||
| LL | 06 | 04 | 3,0 | 20 | 10,5 | 32 | 11 | 10 | 12 | 7 | GR06/04LL | 100 | 100 | 63 |
| 08 | 04 | 3,0 | 22 | 12,5 | 34 | 12 | 10 | 14 | 9 | GR08/04LL | 100 | 100 | 63 | |
| 08 | 06 | 4,5 | 22 | 11,0 | 34 | 12 | 12 | 14 | 11 | GR08/06LL | 100 | 100 | 63 | |
| L | 08 | 06 | 4,0 | 25 | 11,0 | 40 | 14 | 14 | 17 | 16 | GR08/06L | 500 | 315 | 200 |
| 10 | 06 | 4,0 | 26 | 12,0 | 41 | 17 | 14 | 19 | 21 | GR10/06L | 500 | 315 | 200 | |
| 10 | 08 | 6,0 | 26 | 12,0 | 41 | 17 | 17 | 19 | 21 | GR10/08L | 500 | 315 | 200 | |
| 12 | 06 | 4,0 | 27 | 13,0 | 42 | 19 | 14 | 22 | 26 | GR12/06L | 400 | 315 | 200 | |
| 12 | 08 | 6,0 | 27 | 13,0 | 42 | 19 | 17 | 22 | 26 | GR12/08L | 400 | 315 | 200 | |
| 12 | 10 | 8,0 | 28 | 14,0 | 43 | 19 | 19 | 22 | 29 | GR12/10L | 400 | 315 | 200 | |
| 15 | 10 | 8,0 | 29 | 15,0 | 45 | 24 | 19 | 27 | 46 | GR15/10L | 400 | 315 | 200 | |
| 15 | 12 | 10,0 | 29 | 15,0 | 45 | 24 | 22 | 27 | 45 | GR15/12L | 400 | 315 | 200 | |
| 18 | 10 | 8,0 | 30 | 15,5 | 46 | 27 | 19 | 32 | 65 | GR18/10L | 400 | 315 | 200 | |
| 18 | 12 | 10,0 | 30 | 15,5 | 46 | 27 | 22 | 32 | 64 | GR18/12L | 400 | 315 | 200 | |
| 18 | 15 | 12,0 | 31 | 16,5 | 48 | 27 | 27 | 32 | 65 | GR18/15L | 400 | 315 | 200 | |
| 22 | 12 | 10,0 | 32 | 17,5 | 48 | 32 | 22 | 36 | 80 | GR22/12L | 250 | 160 | 100 | |
| 22 | 15 | 12,0 | 33 | 18,5 | 50 | 32 | 27 | 36 | 89 | GR22/15L | 250 | 160 | 100 | |
| 22 | 18 | 15,0 | 33 | 18,0 | 50 | 32 | 32 | 36 | 89 | GR22/18L | 250 | 160 | 100 | |
| 28 | 18 | 15,0 | 34 | 19,0 | 52 | 41 | 32 | 41 | 142 | GR28/18L | 250 | 160 | 100 | |
| 28 | 22 | 19,0 | 36 | 21,0 | 54 | 41 | 36 | 41 | 139 | GR28/22L | 250 | 160 | 100 | |
| 35 | 22 | 19,0 | 39 | 21,0 | 59 | 46 | 36 | 50 | 202 | GR35/22L | 250 | 160 | 100 | |
| 35 | 28 | 24,0 | 39 | 21,0 | 59 | 46 | 41 | 50 | 206 | GR35/28L | 250 | 160 | 100 | |
| 42 | 35 | 30,0 | 43 | 21,5 | 66 | 55 | 50 | 60 | 330 | GR42/35L | 250 | 160 | 100 | |
| S | 08 | 06 | 4,0 | 32 | 18,0 | 47 | 17 | 17 | 19 | 35 | GR08/06S | 800 | 630 | 400 |
| 10 | 06 | 4,0 | 32 | 17,5 | 48 | 19 | 17 | 22 | 41 | GR10/06S | 800 | 630 | 400 | |
| 10 | 08 | 5,0 | 32 | 17,5 | 48 | 19 | 19 | 22 | 42 | GR10/08S | 800 | 630 | 400 | |
| 12 | 06 | 4,0 | 34 | 19,5 | 50 | 22 | 17 | 24 | 56 | GR12/06S | 630 | 630 | 400 | |
| 12 | 08 | 5,0 | 34 | 19,5 | 50 | 22 | 19 | 24 | 57 | GR12/08S | 630 | 630 | 400 | |
| 12 | 10 | 7,0 | 34 | 19,0 | 51 | 22 | 22 | 24 | 59 | GR12/10S | 630 | 630 | 400 | |
| 14 | 10 | 7,0 | 36 | 20,5 | 54 | 24 | 22 | 27 | 70 | GR14/10S | 630 | 630 | 400 | |
| 14 | 12 | 8,0 | 36 | 20,5 | 54 | 24 | 24 | 27 | 72 | GR14/12S | 630 | 630 | 400 | |
| 16 | 10 | 7,0 | 36 | 20,0 | 54 | 27 | 22 | 30 | 80 | GR16/10S | 630 | 400 | 250 | |
| 16 | 12 | 8,0 | 36 | 20,0 | 54 | 27 | 24 | 30 | 87 | GR16/12S | 630 | 400 | 250 | |
| 16 | 14 | 10,0 | 36 | 21,5 | 57 | 27 | 27 | 30 | 79 | GR16/14S | 630 | 400 | 250 | |
| 20 | 10 | 7,0 | 40 | 22,0 | 60 | 32 | 22 | 36 | 129 | GR20/10S | 420 | 400 | 250 | |
| 20 | 12 | 8,0 | 40 | 22,0 | 60 | 32 | 24 | 36 | 131 | GR20/12S | 420 | 400 | 250 | |
| 20 | 16 | 12,0 | 42 | 23,0 | 63 | 32 | 30 | 36 | 134 | GR20/16S | 420 | 400 | 250 | |
| 25 | 16 | 12,0 | 46 | 25,5 | 68 | 41 | 30 | 46 | 236 | GR25/16S | 420 | 400 | 250 | |
| 25 | 20 | 16,0 | 48 | 25,5 | 71 | 41 | 36 | 46 | 235 | GR25/20S | 420 | 400 | 250 | |
| 30 | 20 | 16,0 | 50 | 26,0 | 74 | 46 | 36 | 50 | 299 | GR30/20S | 420 | 400 | 250 | |
| 30 | 25 | 20,0 | 52 | 26,5 | 77 | 46 | 46 | 50 | 317 | GR30/25S | 420 | 400 | 250 | |
| 38 | 30 | 25,0 | 59 | 29,5 | 87 | 55 | 50 | 60 | 522 | GR38/30S | 420 | 315 | 200 | |
TR - тройник-редуктор

| Серия | D1 | D2 | D3 | D4 | D5 | L1 | L2 | L3 | L4 | L5 | L6 | L7 | S1 | S2 | S3 | S4 | S5 | Вес, г/шт. | Код заказа | PN (bar) | ||
|---|---|---|---|---|---|---|---|---|---|---|---|---|---|---|---|---|---|---|---|---|---|---|
| CF | 71 | MS | ||||||||||||||||||||
| LL | 04 | 08 | 04 | 3,0 | 6 | 17 | 13,0 | 13,0 | 11,5 | 23 | 23 | 23 | 12 | 10 | 14 | 10 | 12 | 27 | TR04/08/04LL | 100 | 100 | 63 |
| 06 | 04 | 06 | 4,5 | 3 | 15 | 9,5 | 9,5 | 11,0 | 21 | 21 | 21 | 11 | 12 | 10 | 12 | 9 | 18 | TR06/04/06LL | 100 | 100 | 63 | |
| L | 06 | 08 | 06 | 4,0 | 6 | 21 | 14,0 | 14,0 | 14,0 | 29 | 29 | 29 | 14 | 14 | 17 | 14 | 12 | 54 | TR06/08/06L | 500 | 315 | 200 |
| 08 | 06 | 08 | 6,0 | 4 | 21 | 14,0 | 14,0 | 14,0 | 29 | 29 | 29 | 14 | 17 | 14 | 17 | 12 | 53 | TR08/06/08L | 500 | 315 | 200 | |
| 06 | 10 | 06 | 4,0 | 8 | 22 | 15,0 | 15,0 | 15,0 | 30 | 30 | 30 | 14 | 19 | 14 | 14 | 53 | TR06/10/06L | 500 | 315 | 200 | ||
| 08 | 10 | 08 | 6,0 | 8 | 22 | 15,0 | 15,0 | 15,0 | 30 | 30 | 30 | 17 | 19 | 17 | 14 | 50 | TR08/10/08L | 500 | 315 | 200 | ||
| 10 | 06 | 10 | 8,0 | 4 | 22 | 15,0 | 15,0 | 15,0 | 30 | 30 | 30 | 19 | 14 | 19 | 14 | 46 | TR10/06/10L | 500 | 315 | 200 | ||
| 10 | 08 | 10 | 8,0 | 6 | 22 | 15,0 | 15,0 | 15,0 | 30 | 30 | 30 | 19 | 17 | 19 | 14 | 43 | TR10/08/10L | 500 | 315 | 200 | ||
| 10 | 10 | 06 | 4,0 | 8 | 22 | 15,0 | 15,0 | 15,0 | 30 | 30 | 30 | 19 | 19 | 14 | 14 | 49 | TR10/10/06L | 500 | 315 | 200 | ||
| 08 | 12 | 08 | 6,0 | 10 | 24 | 17,0 | 17,0 | 17,0 | 32 | 32 | 32 | 17 | 22 | 17 | 17 | 67 | TR08/12/08L | 500 | 315 | 200 | ||
| 12 | 06 | 12 | 10,0 | 4 | 24 | 17,0 | 17,0 | 17,0 | 32 | 32 | 32 | 22 | 14 | 22 | 17 | 66 | TR12/06/12L | 400 | 315 | 200 | ||
| 12 | 08 | 08 | 6,0 | 6 | 24 | 17,0 | 17,0 | 17,0 | 32 | 32 | 32 | 22 | 17 | 17 | 17 | 66 | TR12/08/08L | 400 | 315 | 200 | ||
| 12 | 08 | 12 | 10,0 | 6 | 24 | 17,0 | 17,0 | 17,0 | 32 | 32 | 32 | 22 | 17 | 22 | 17 | 68 | TR12/08/12L | 400 | 315 | 200 | ||
| 12 | 10 | 10 | 8,0 | 8 | 24 | 17,0 | 17,0 | 17,0 | 32 | 32 | 32 | 22 | 19 | 19 | 17 | 67 | TR12/10/10L | 400 | 315 | 200 | ||
| 12 | 10 | 12 | 10,0 | 8 | 24 | 17,0 | 17,0 | 17,0 | 32 | 32 | 32 | 22 | 19 | 22 | 17 | 67 | TR12/10/12L | 400 | 315 | 200 | ||
| 12 | 12 | 10 | 8,0 | 10 | 24 | 17,0 | 17,0 | 17,0 | 32 | 32 | 32 | 22 | 22 | 19 | 17 | 64 | TR12/12/10L | 400 | 315 | 200 | ||
| 10 | 15 | 10 | 8,0 | 12 | 28 | 21,0 | 21,0 | 21,0 | 36 | 36 | 36 | 19 | 27 | 19 | 19 | 105 | TR10/15/10L | 400 | 315 | 200 | ||
| 12 | 15 | 12 | 10,0 | 12 | 28 | 21,0 | 21,0 | 21,0 | 36 | 36 | 36 | 22 | 27 | 22 | 19 | 102 | TR12/15/12L | 400 | 315 | 200 | ||
| 15 | 06 | 15 | 12,0 | 4 | 28 | 21,0 | 21,0 | 21,0 | 36 | 36 | 36 | 27 | 14 | 27 | 19 | 107 | TR15/06/15L | 400 | 315 | 200 | ||
| 15 | 10 | 15 | 12,0 | 8 | 28 | 21,0 | 21,0 | 21,0 | 36 | 36 | 36 | 27 | 19 | 27 | 19 | 105 | TR15/10/15L | 400 | 315 | 200 | ||
| 15 | 12 | 12 | 10,0 | 10 | 28 | 21,0 | 21,0 | 21,0 | 36 | 36 | 36 | 27 | 22 | 22 | 19 | 101 | TR15/12/12L | 400 | 315 | 200 | ||
| 15 | 12 | 15 | 12,0 | 10 | 28 | 21,0 | 21,0 | 21,0 | 36 | 36 | 36 | 27 | 22 | 27 | 19 | 105 | TR15/12/15L | 400 | 315 | 200 | ||
| 15 | 15 | 12 | 10,0 | 12 | 28 | 21,0 | 21,0 | 21,0 | 36 | 36 | 36 | 27 | 27 | 22 | 19 | 103 | TR15/15/12L | 400 | 315 | 200 | ||
| 15 | 18 | 12 | 10,0 | 15 | 31 | 24,0 | 24,0 | 23,5 | 39 | 39 | 40 | 22 | 32 | 22 | 24 | 177 | TR12/18/12L | 400 | 315 | 200 | ||
| 12 | 10 | 10 | 8,0 | 8 | 31 | 23,5 | 24,0 | 24,0 | 40 | 39 | 39 | 32 | 19 | 19 | 24 | 173 | TR18/10/10L | 400 | 315 | 200 | ||
| 18 | 10 | 18 | 15,0 | 8 | 31 | 23,5 | 23,5 | 24,0 | 40 | 40 | 39 | 32 | 19 | 32 | 24 | 182 | TR18/10/18L | 400 | 315 | 200 | ||
| 18 | 12 | 18 | 15,0 | 10 | 31 | 23,5 | 23,5 | 24,0 | 40 | 40 | 39 | 32 | 22 | 32 | 24 | 174 | TR18/12/18L | 400 | 315 | 200 | ||
| 18 | 15 | 18 | 15,0 | 12 | 31 | 23,5 | 23,5 | 24,0 | 40 | 40 | 39 | 32 | 27 | 32 | 24 | 179 | TR18/15/18L | 400 | 315 | 200 | ||
| 18 | 18 | 10 | 8,0 | 15 | 31 | 23,5 | 24,0 | 23,5 | 40 | 39 | 40 | 32 | 32 | 19 | 24 | 171 | TR18/18/10L | 400 | 315 | 200 | ||
| 22 | 10 | 22 | 19,0 | 8 | 35 | 27,5 | 27,5 | 28,0 | 44 | 44 | 43 | 36 | 19 | 36 | 27 | 232 | TR22/10/22L | 250 | 160 | 100 | ||
| 22 | 12 | 22 | 19,0 | 10 | 35 | 27,5 | 27,5 | 28,0 | 44 | 44 | 43 | 36 | 22 | 36 | 27 | 229 | TR22/12/22L | 250 | 160 | 100 | ||
| 22 | 15 | 15 | 12,0 | 12 | 35 | 27,5 | 28,0 | 28,0 | 44 | 43 | 43 | 36 | 27 | 27 | 27 | 240 | TR22/15/15L | 250 | 160 | 100 | ||
| 22 | 15 | 22 | 19,0 | 12 | 35 | 27,5 | 27,5 | 28,0 | 44 | 44 | 43 | 36 | 27 | 36 | 27 | 233 | TR22/15/22L | 250 | 160 | 100 | ||
| 22 | 18 | 18 | 15,0 | 15 | 35 | 27,5 | 27,5 | 27,5 | 44 | 44 | 44 | 36 | 32 | 32 | 27 | 236 | TR22/18/18L | 250 | 160 | 100 | ||
| 22 | 18 | 22 | 19,0 | 15 | 35 | 27,5 | 27,5 | 27,5 | 44 | 44 | 44 | 36 | 32 | 36 | 27 | 239 | TR22/18/22L | 250 | 160 | 100 | ||
| 22 | 22 | 18 | 15,0 | 19 | 35 | 27,5 | 27,5 | 27,5 | 44 | 44 | 44 | 36 | 36 | 32 | 27 | 228 | TR22/22/18L | 250 | 160 | 100 | ||
| 28 | 10 | 28 | 24,0 | 8 | 38 | 30,5 | 30,5 | 31,0 | 47 | 47 | 46 | 41 | 19 | 41 | 36 | 412 | TR28/10/28L | 250 | 160 | 100 | ||
| 28 | 12 | 28 | 24,0 | 10 | 38 | 30,5 | 30,5 | 31,0 | 47 | 47 | 46 | 41 | 22 | 41 | 36 | 408 | TR28/12/28L | 250 | 160 | 100 | ||
| 28 | 15 | 28 | 24,0 | 12 | 38 | 30,5 | 30,5 | 31,0 | 47 | 47 | 46 | 41 | 27 | 41 | 36 | 423 | TR28/15/28L | 250 | 160 | 100 | ||
| 28 | 18 | 28 | 24,0 | 15 | 38 | 30,5 | 30,5 | 30,5 | 47 | 47 | 47 | 41 | 32 | 41 | 36 | 421 | TR28/18/28L | 250 | 160 | 100 | ||
| 28 | 22 | 22 | 19,0 | 19 | 38 | 30,5 | 30,5 | 30,5 | 47 | 47 | 47 | 41 | 36 | 36 | 36 | 412 | TR28/22/22L | 250 | 160 | 100 | ||
| 28 | 22 | 28 | 24,0 | 19 | 38 | 30,5 | 30,5 | 30,5 | 47 | 47 | 47 | 41 | 36 | 41 | 36 | 415 | TR28/22/28L | 250 | 160 | 100 | ||
| S | 10 | 6 | 10 | 7,0 | 4 | 25 | 17,5 | 17,5 | 18,0 | 34 | 34 | 33 | 22 | 17 | 22 | 17 | 103 | TR10/06/10S | 800 | 630 | 400 | |
| 12 | 8 | 8 | 5,0 | 5 | 29 | 21,5 | 22,0 | 22,0 | 38 | 37 | 37 | 24 | 19 | 19 | 17 | 107 | TR12/08/08S | 630 | 630 | 400 | ||
| 12 | 8 | 12 | 8,0 | 5 | 29 | 21,5 | 21,5 | 22,0 | 38 | 38 | 37 | 24 | 19 | 24 | 17 | 105 | TR12/08/12S | 630 | 630 | 400 | ||
| 12 | 10 | 12 | 8,0 | 7 | 29 | 21,5 | 21,5 | 21,5 | 38 | 38 | 38 | 24 | 22 | 24 | 17 | 114 | TR12/10/12S | 630 | 630 | 400 | ||
| 12 | 16 | 12 | 8,0 | 12 | 33 | 25,5 | 25,5 | 24,5 | 42 | 42 | 43 | 24 | 30 | 24 | 24 | 190 | TR12/16/12S | 630 | 400 | 250 | ||
| 16 | 6 | 16 | 12,0 | 4 | 33 | 24,5 | 24,5 | 26,0 | 43 | 43 | 41 | 30 | 17 | 30 | 24 | 176 | TR16/06/16S | 630 | 400 | 250 | ||
| 16 | 8 | 16 | 12,0 | 5 | 33 | 24,5 | 24,5 | 26,0 | 43 | 43 | 41 | 30 | 19 | 30 | 24 | 208 | TR16/08/16S | 630 | 400 | 250 | ||
| 16 | 10 | 16 | 12,0 | 7 | 33 | 24,5 | 24,5 | 25,5 | 43 | 43 | 42 | 30 | 22 | 30 | 24 | 210 | TR16/10/16S | 630 | 400 | 250 | ||
| 16 | 12 | 16 | 12,0 | 8 | 33 | 24,5 | 24,5 | 25,5 | 43 | 43 | 42 | 30 | 24 | 30 | 24 | 386 | TR16/12/16S | 630 | 400 | 250 | ||
| 16 | 20 | 16 | 12,0 | 16 | 37 | 28,5 | 28,5 | 26,5 | 47 | 47 | 48 | 30 | 36 | 30 | 27 | 296 | TR16/20/16S | 420 | 400 | 250 | ||
| 20 | 10 | 20 | 16,0 | 7 | 37 | 26,5 | 26,5 | 29,5 | 48 | 48 | 46 | 36 | 22 | 36 | 27 | 553 | TR20/10/20S | 420 | 400 | 250 | ||
| 20 | 12 | 20 | 16,0 | 8 | 37 | 26,5 | 26,5 | 29,5 | 48 | 48 | 46 | 36 | 24 | 36 | 27 | 306 | TR20/12/20S | 420 | 400 | 250 | ||
| 20 | 16 | 20 | 16,0 | 12 | 37 | 26,5 | 26,5 | 28,5 | 48 | 48 | 47 | 36 | 30 | 36 | 27 | 285 | TR20/16/20S | 420 | 400 | 250 | ||
| 20 | 25 | 20 | 16,0 | 20 | 42 | 31,5 | 31,5 | 30,0 | 53 | 53 | 54 | 36 | 46 | 36 | 36 | 544 | TR20/25/20S | 420 | 400 | 250 | ||
| 25 | 16 | 25 | 20,0 | 12 | 42 | 30,0 | 30,0 | 33,5 | 54 | 54 | 52 | 46 | 30 | 46 | 36 | 556 | TR25/16/25S | 420 | 400 | 250 | ||
| 25 | 20 | 25 | 20,0 | 16 | 42 | 30,0 | 30,0 | 31,5 | 54 | 54 | 53 | 46 | 36 | 46 | 36 | 544 | TR25/20/25S | 420 | 400 | 250 | ||
| 25 | 30 | 25 | 20,0 | 25 | 49 | 37,0 | 37,0 | 35,5 | 61 | 61 | 62 | 46 | 50 | 46 | 41 | 791 | TR25/30/25S | 420 | 400 | 250 | ||
LL - очень лёгкая серия; L - лёгкая серия; S - тяжёлая серия
G - проходной соединитель
| Серия | D1 | D3 | L1 | L2 | L3 | S1 | S2 | Вес, г/шт. | Код заказа | PN (bar) | ||
|---|---|---|---|---|---|---|---|---|---|---|---|---|
| CF | 71 | MS | ||||||||||
| LL | 04 | 3,0 | 20 | 12 | 31 | 9 | 10 | 5 | G04LL | 100 | 100 | 63 |
| 06 | 4,5 | 20 | 9 | 32 | 11 | 12 | 7 | G06LL | 100 | 100 | 63 | |
| 08 | 6,0 | 23 | 12 | 35 | 12 | 14 | 10 | G08LL | 100 | 100 | 63 | |
| 10 | 8,0 | 23 | 12 | 35 | 14 | 17 | 13 | G10LL | 100 | 100 | 63 | |
| 12 | 10,0 | 23 | 11 | 35 | 17 | 19 | 16 | G12LL | 100 | 100 | 63 | |
| L | 06 | 4,0 | 24 | 10 | 39 | 12 | 14 | 12 | G06L | 500 | 315 | 200 |
| 08 | 6,0 | 25 | 11 | 40 | 14 | 17 | 16 | G08L | 500 | 315 | 200 | |
| 10 | 8,0 | 27 | 13 | 42 | 17 | 19 | 23 | G10L | 500 | 315 | 200 | |
| 12 | 10,0 | 28 | 14 | 43 | 19 | 22 | 28 | G12L | 400 | 315 | 200 | |
| 15 | 12,0 | 30 | 16 | 46 | 24 | 27 | 51 | G15L | 400 | 315 | 200 | |
| 18 | 15,0 | 31 | 16 | 48 | 27 | 32 | 69 | G18L | 400 | 315 | 200 | |
| 22 | 19,0 | 35 | 20 | 52 | 32 | 36 | 90 | G22L | 250 | 160 | 100 | |
| 28 | 24,0 | 36 | 21 | 54 | 41 | 41 | 137 | G28L | 250 | 160 | 100 | |
| 35 | 30,0 | 41 | 20 | 63 | 46 | 50 | 214 | G35L | 250 | 160 | 100 | |
| 42 | 36,0 | 43 | 21 | 66 | 55 | 60 | 296 | G42L | 250 | 160 | 100 | |
| S | 06 | 4,0 | 30 | 16 | 45 | 14 | 17 | 26 | G06S | 800 | 630 | 400 |
| 08 | 5,0 | 32 | 18 | 47 | 17 | 19 | 37 | G08S | 800 | 630 | 400 | |
| 10 | 7,0 | 32 | 17 | 49 | 19 | 22 | 44 | G10S | 800 | 630 | 400 | |
| 12 | 8,0 | 34 | 19 | 51 | 22 | 24 | 60 | G12S | 630 | 630 | 400 | |
| 14 | 10,0 | 38 | 22 | 57 | 24 | 27 | 77 | G14S | 630 | 630 | 400 | |
| 16 | 12,0 | 38 | 21 | 57 | 27 | 30 | 90 | G16S | 630 | 400 | 250 | |
| 20 | 16,0 | 44 | 23 | 66 | 32 | 36 | 143 | G20S | 420 | 400 | 250 | |
| 25 | 20,0 | 50 | 26 | 74 | 41 | 46 | 251 | G25S | 420 | 400 | 250 | |
| 30 | 25,0 | 54 | 27 | 80 | 46 | 50 | 330 | G30S | 420 | 400 | 250 | |
| 38 | 32,0 | 61 | 29 | 90 | 55 | 60 | 545 | G38S | 420 | 315 | 250 | |
K - проходная крестовина
| Серия | D1 | D3 | L1 | L2 | L3 | S1 | S2 | Вес, г/шт. | Код заказа | PN (bar) | ||
|---|---|---|---|---|---|---|---|---|---|---|---|---|
| CF | 71 | MS | ||||||||||
| LL |
04 | 3,0 | 15 | 11,0 | 21 | 9 | 10 | 13 | K04LL | 100 | 100 | 63 |
| 06 | 4,5 | 15 | 9,5 | 21 | 9 | 12 | 14 | K06LL | 100 | 100 | 63 | |
| 08 | 6,0 | 17 | 11,5 | 23 | 12 | 14 | 24 | K08LL | 100 | 100 | 63 | |
| L | 06 | 4,0 | 19 | 12,0 | 27 | 12 | 14 | 35 | K06L | 315 | 315 | 200 |
| 08 | 6,0 | 21 | 14,0 | 29 | 12 | 17 | 40 | K08L | 315 | 315 | 200 | |
| 10 | 8,0 | 22 | 15,0 | 30 | 14 | 19 | 52 | K10L | 315 | 315 | 200 | |
| 12 | 10,0 | 24 | 17,0 | 32 | 17 | 22 | 69 | K12L | 315 | 315 | 200 | |
| 15 | 12,0 | 28 | 21,0 | 36 | 19 | 27 | 130 | K15L | 315 | 315 | 200 | |
| 18 | 15,0 | 31 | 23,5 | 40 | 24 | 32 | 188 | K18L | 315 | 315 | 200 | |
| 22 | 19,0 | 35 | 27,5 | 44 | 27 | 36 | 251 | K22L | 160 | 160 | 100 | |
| 28 | 24,0 | 38 | 30,5 | 47 | 36 | 41 | 392 | K28L | 160 | 160 | 100 | |
| 35 | 30,0 | 45 | 34,5 | 56 | 41 | 50 | 618 | K35L | 160 | 160 | 100 | |
| 42 | 36,0 | 51 | 40,0 | 63 | 50 | 60 | 905 | K42L | 160 | 160 | 100 | |
| S | 06 | 4,0 | 23 | 16,0 | 31 | 12 | 17 | 58 | K06S | 630 | 630 | 400 |
| 08 | 5,0 | 24 | 17,0 | 32 | 14 | 19 | 82 | K08S | 630 | 630 | 400 | |
| 10 | 7,0 | 25 | 17,5 | 34 | 17 | 22 | 97 | K10S | 630 | 630 | 400 | |
| 12 | 8,0 | 29 | 21,5 | 38 | 17 | 24 | 146 | K12S | 630 | 630 | 400 | |
| 14 | 10,0 | 30 | 22,0 | 40 | 19 | 27 | 176 | K14S | 400 | 400 | 250 | |
| 16 | 12,0 | 33 | 24,5 | 43 | 24 | 30 | 220 | K16S | 400 | 400 | 250 | |
| 20 | 16,0 | 37 | 26,5 | 48 | 27 | 36 | 339 | K20S | 315 | 315 | 200 | |
| 25 | 20,0 | 42 | 30,0 | 54 | 36 | 46 | 576 | K25S | 315 | 315 | 200 | |
| 30 | 25,0 | 49 | 35,5 | 62 | 41 | 50 | 843 | K30S | 315 | 315 | 200 | |
| 38 | 32,0 | 57 | 41,0 | 72 | 50 | 60 | 1360 | K38S | 315 | 315 | 200 | |
T - проходной тройник
| Серия | D1 | D3 | L1 | L2 | L3 | S1 | S2 | S3 | Вес, г/шт. | Код заказа | PN (bar) | ||
|---|---|---|---|---|---|---|---|---|---|---|---|---|---|
| CF | 71 | MS | |||||||||||
| LL | 04 | 3,0 | 15 | 11,0 | 21 | 9 | 10 | 9 | 19 | T04LL | 100 | 100 | 63 |
| 06 | 4,5 | 15 | 9,5 | 21 | 9 | 12 | 11 | 20 | T06LL | 100 | 100 | 63 | |
| 08 | 6,0 | 17 | 11,5 | 23 | 12 | 14 | 12 | 27 | T08LL | 100 | 100 | 63 | |
| 10 | 8,0 | 18 | 12,5 | 24 | 12 | 17 | 14 | 39 | T10LL | 100 | 100 | 63 | |
| 12 | 10,0 | 21 | 15,0 | 27 | 14 | 19 | 45 | T12LL | 100 | 100 | 63 | ||
| L | 06 | 4,0 | 19 | 12,0 | 27 | 12 | 14 | 12 | 37 | T06L | 500 | 315 | 200 |
| 08 | 6,0 | 21 | 14,0 | 29 | 12 | 17 | 14 | 53 | T08L | 500 | 315 | 200 | |
| 10 | 8,0 | 22 | 15,0 | 30 | 14 | 19 | 48 | T10L | 500 | 315 | 200 | ||
| 12 | 10,0 | 24 | 17,0 | 32 | 17 | 22 | 65 | T12L | 400 | 315 | 200 | ||
| 15 | 12,0 | 28 | 21,0 | 36 | 19 | 27 | 106 | T15L | 400 | 315 | 200 | ||
| 18 | 15,0 | 31 | 23,5 | 40 | 24 | 32 | 179 | T18L | 400 | 315 | 200 | ||
| 22 | 19,0 | 35 | 27,5 | 44 | 27 | 36 | 225 | T22L | 250 | 160 | 100 | ||
| 28 | 24,0 | 38 | 30,5 | 47 | 36 | 41 | 396 | T28L | 250 | 160 | 100 | ||
| 35 | 30,0 | 45 | 34,5 | 56 | 41 | 50 | 567 | T35L | 250 | 160 | 100 | ||
| 42 | 36,0 | 51 | 40,0 | 63 | 50 | 60 | 905 | T42L | 250 | 160 | 100 | ||
| S | 06 | 4,0 | 23 | 16,0 | 31 | 12 | 17 | 14 | 68 | T06S | 800 | 630 | 400 |
| 08 | 5,0 | 24 | 17,0 | 32 | 14 | 19 | 70 | T08S | 800 | 630 | 400 | ||
| 10 | 7,0 | 25 | 17,5 | 34 | 17 | 22 | 91 | T10S | 800 | 630 | 400 | ||
| 12 | 8,0 | 29 | 21,5 | 38 | 17 | 24 | 117 | T12S | 630 | 630 | 400 | ||
| 14 | 10,0 | 30 | 22,0 | 40 | 19 | 27 | 136 | T14S | 630 | 630 | 400 | ||
| 16 | 12,0 | 33 | 24,5 | 43 | 24 | 30 | 202 | T16S | 630 | 400 | 250 | ||
| 20 | 16,0 | 37 | 26,5 | 48 | 27 | 36 | 289 | T20S | 420 | 400 | 250 | ||
| 25 | 20,0 | 42 | 30,0 | 54 | 36 | 46 | 545 | T25S | 420 | 400 | 250 | ||
| 30 | 25,0 | 49 | 35,5 | 62 | 41 | 50 | 758 | T30S | 420 | 400 | 250 | ||
| 38 | 32,0 | 57 | 41,0 | 72 | 50 | 60 | 1264 | T38S | 420 | 315 | 250 | ||
LL - очень лёгкая серия; L - лёгкая серия; S - тяжёлая серия


