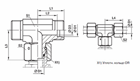
L - лёгкая серия; S - тяжёлая серия

| Серия | D1 | D3 | L1 | L2 | L3 | L4 | S1 | S2 | Вес, г/шт | Код заказа | PN (бар) | ||
|---|---|---|---|---|---|---|---|---|---|---|---|---|---|
| CF | 71 | MS | |||||||||||
| L | 06 | 4 | 19 | 12 | 26 | 27 | 12 | 14 | 40 | EVL06LOMD | 315 | 315 | 200 |
| 08 | 6 | 21 | 14 | 27,5 | 29 | 12 | 17 | 50 | EVL08LOMD | 315 | 315 | 200 | |
| 10 | 8 | 22 | 15 | 29 | 30 | 14 | 19 | 64 | EVL10LOMD | 315 | 315 | 200 | |
| 12 | 10 | 24 | 17 | 30,5 | 32 | 17 | 22 | 93 | EVL12LOMD | 315 | 315 | 200 | |
| 15 | 12 | 28 | 21 | 32,5 | 36 | 19 | 27 | 147 | EVL15LOMD | 315 | 315 | 200 | |
| 18 | 15 | 31 | 23,5 | 35,5 | 40 | 24 | 32 | 229 | EVL18LOMD | 315 | 315 | 200 | |
| 22 | 19 | 35 | 27,5 | 39 | 44 | 27 | 36 | 296 | EVL22LOMD | 160 | 160 | ||
| 28 | 24 | 38 | 30,5 | 43,5 | 47 | 36 | 41 | 416 | EVL28LOMD | 160 | 160 | ||
| 35 | 30 | 45 | 34,5 | 54,5 | 56 | 41 | 50 | 661 | EVL35LOMD | 160 | 160 | ||
| 42 | 36 | 51 | 40 | 60 | 63 | 50 | 60 | 1105 | EVL42LOMD | 160 | 160 | ||
| S | 06 | 4 | 23 | 16 | 27 | 31 | 12 | 17 | 57 | EVL06SOMD | 630 | 630 | |
| 08 | 5 | 24 | 17 | 29 | 32 | 14 | 19 | 84 | EVL08SOMD | 630 | 630 | ||
| 10 | 7 | 25 | 17,5 | 32 | 34 | 17 | 22 | 116 | EVL10SOMD | 630 | 630 | ||
| 12 | 8 | 29 | 21,5 | 33 | 38 | 17 | 24 | 137 | EVL12SOMD | 630 | 630 | ||
| 14 | 10 | 30 | 22 | 35 | 40 | 19 | 27 | 175 | EVL14SOMD | 400 | 400 | ||
| 16 | 12 | 33 | 24,5 | 37,5 | 43 | 24 | 30 | 259 | EVL16SOMD | 400 | 400 | ||
| 20 | 16 | 37 | 26,5 | 44,5 | 48 | 27 | 36 | 371 | EVL20SOMD | 400 | 400 | ||
| 25 | 20 | 42 | 30 | 50,5 | 54 | 36 | 46 | 647 | EVL25SOMD | 400 | 400 | ||
| 30 | 25 | 49 | 35,5 | 56,5 | 62 | 41 | 50 | 906 | EVL30SOMD | 400 | 400 | ||
| 38 | 32 | 57 | 41 | 66,5 | 72 | 50 | 60 | 1549 | EVL38SOMD | 315 | 315 | ||






